Chinese | English
Tel:0577-62373133
Phone:13868703133
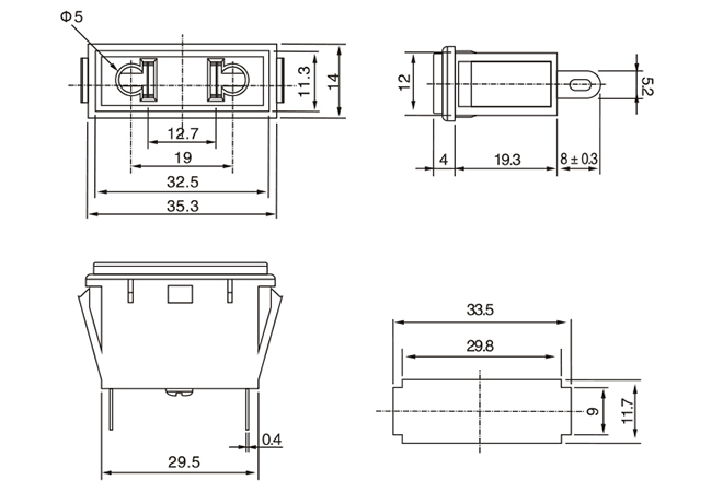
AC Power Outlet
The last:LZ-F-M The next:LZ-14-F15
Contact us
To know more about our details, please call
0577-62373133
Or give us a message
Feedback
see the mobile site